- Характеристики на дизайна на инструмента
- Необходим инструмент за ремонтна мелница Interskol
- Основните електрически неизправности на трошачката Interskol
- Ремонт на вериги за управление на трошачки Interskol
- Как да ремонтирате роторната мелница Interskol
- Ремонт на мелница за статор Interskol
- Механични неизправности на трошачката Interskol
- Ремонт на мелница за скоростна кутия Interskol ushm 125
- Ремонт на мелница за скоростна кутия Interskol ushm 230
- Сглобяване на трошачката Interskol
- Как да сглобите зъбната мелница Interskol
- Как да сглобите трошачка Interskol
- Няколко думи за мелницата за смазочни материали Interskol
- Ремонт на видео мелница Interskol
Ъглошлайфовете Interskol (шлифовъчни машини) са много надеждни и издръжливи. Те се отличават с добра производителност и висока надеждност. Но неправилното използване на инструмента, ненавременната подмяна на въглеродни четки, смазочни материали и лагери водят до преждевременна повреда.
Ремонтът на трошачката Interskol може да се извърши самостоятелно.
За да направите това, трябва да знаете устройството на мелницата Interskol, схемата на сглобяване, процедурата за извършване на технологични операции при разглобяване и сглобяване на ъглошлайфи. За да ремонтирате правилно ъглошлайфа Interskol, достатъчно е да проучите предложената схема и инструкции.
Ъглошлайфовете Interskol напоследък стават все по-популярни не само сред професионалистите, но и сред ентусиастите, занимаващи се с домашни любимци.
Характеристики на дизайна на инструмента
Интерскол е руски лидер в разработването, производството и продажбата на различни електрически инструменти, признати от световните производители.Продуктите Interskol се отличават със своята ергономичност, простота и лекота на поддръжка, екологичност и повишена мощност.
Българите от Интерскол са класирани по диаметър на диска: 115,125,150,180,230.
Сред тези, които обичат да правят собствените си ръце, особено популярни са трошачките Interskol от два класа: с диаметър на диска 125 mm и 230 mm.
В представените класове се произвеждат няколко модела, различаващи се по мощност.
В клас 125 мм се произвеждат 4 (четири) модела Интерскол: Ъглошлайф 125/900, Ъглошлайф 125/1000, Ъглошлайф 125/1100E, Ъглошлайф 125/1400EL.
В клас 230 mm се произвеждат 10 (десет) модела Interskol, различаващи се един от друг по мощност. Българите Интерскол клас 230 се произвеждат с мощност над 2000 вата.
Маркировката Interskol UShM 230/2300 е дешифрирана: ъглошлайф с максимален диаметър на кръга 230 mm, мощност 2300 вата.
В мелниците Interskol ushm 125 зъбните колела, задвижвани на шпиндела, се фиксират чрез шпонка.
Българите Interskol UShM 125 са събрани в калъф, който служи като дръжка.
Мелничките Interskol UShM 230 имат удобна задна дръжка на гърба на корпуса. Това са мощни професионални машини с дизайн с две ръце. При ъглошлайфове от този клас задвижваните зъбни колела се притискат към вала на шпиндела.
В предложените инструкции за ремонт ще разгледаме схемите на два класа шлифовъчни машини Interskol: ъглошлайф 125, ъглошлайф 230.
Необходим инструмент за ремонтна мелница Interskol
Невъзможно е да ремонтирате ъглошлайфа Interskol, без да имате прост и необходим инструмент.Комплект отвертки, гаечни ключове, менгеме, чук, преса ще ви помогнат да фиксирате механичната част на мелницата Interskol. За ремонт на електрически вериги ще ви е необходим тестер. Е, ако имате възможност да използвате устройство IK-2 за намерете завои на късо съединение в намотки. От спомагателните материали ще ви трябва смазка, салфетки, препарат за изплакване.
За да извършите висококачествен ремонт на ъглошлайф от семейството Interskol, е необходимо да подготвите работно място, да изберете правилното осветление. На пода в тъмна стая е невъзможно да се направят висококачествени ремонти.
За да ремонтирате трошачката Interskol бързо и правилно, ви е необходима схема на трошачката, която ще ремонтирате.
Неизправностите на мелниците се разделят на механични и електрически.
Основните електрически неизправности на трошачката Interskol
По правило най-честата причина за повреда в работата на ъглошлайфа е електрическа неизправност. Основният процент на повреда на мелниците в електрическата част е повредата на въгленовите четки.
Ремонт на вериги за управление на трошачки Interskol
Контролните вериги на трошачките от различни модели са малко по-различни една от друга. Всичко зависи от мощността на инструмента, наличието на иновативни разработки. Някои ъглошлайфи имат електронен блок, който регулира плавността на старта.
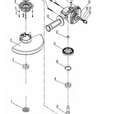
Схема на свързване на вериги за управление на трошачка Interskol ushm 125

В мелници Ъглошлайф Interskol 125 електрически четки поз.55 са монтирани в специални държачи за четки поз.44, които могат да бъдат достигнати само чрез отстраняване на задния капак поз.51 от корпуса на статора поз.42.
След като свалите капака, е необходимо да развиете винтовете poz.50, задържащи тялото на държача на четката.
Износването на четките се определя от остатъчната им дължина. Дължината на работещите въглеродни четки не може да бъде по-малка от 5 mm.
Захранването се осъществява чрез кабел poz.53. На местата, където кабелът влиза в ъглошлайфа и щепсела поз.53, кабелът може да се счупи. Неизправността се отстранява чрез подмяна на целия захранващ кабел или дефектната част. Не се допускат усуквания.
Захранващият кабел подава напрежение към превключвателя поз.41, поставен в кутията по47. За управление на бутона за превключване има лост poz.46. По време на поддръжка обезвъздушете скоростния лост със силиконова грес.
Схема на свързване на вериги за управление на трошачка Interskol ushm 230

Захранващият кабел poz.50 се доставя към превключвателя poz.46, който е свързан към електронния блок poz.40, въглеродни четки poz.38, поставени в държачите на четки poz.37. Електрическата част на трошачката също включва статор поз.32 и ротор поз.27.
Смяната на въглеродни четки на мелници Interskol ushm 230 не изисква премахване на задния капак. Просто развийте капачката на държача на четката poz.36 и извадете държача на четката с въглеродна четка. Но можете да смените превключвателя, електронния блок, кондензатора поз.42 само като демонтирате задната дръжка поз.44.45. За да направите това, развийте четирите винта 4×16 poz.44.
Как да ремонтирате роторната мелница Interskol
Повреда на ротора възниква поради следните причини:
- Износени или дефектни въглеродни четки;
- Късо съединение или отворена намотка;
- Комутаторните ламели на арматурата са работили:
- Счупени или заседнали лагери на ротора.

Ремонтът на ротора изисква специални познания, инструменти и оборудване.По-добре е да закупите нов ротор или да го изпратите в специализиран сервизен център за ремонт. Но не забравяйте, че струва пари. За най-надарените препоръчваме пренавиващ ротор.
Използвайте дърпач, за да извадите лагерите от арматурата. Но можете да използвате импровизирани средства. Например менгеме, метални ленти, чук, кирка от мек метал.
Сваляне на лагерите на ъглошлайфа 125 арматура
На ротора поз.31 са монтирани два лагера: отзад, близо до комутатора поз.32.
Размер на лагера 608Z.
И от страната на колесния лагер поз.28 размер 6000-2 RS. Руски аналог 180100.
Лагерите се отстраняват след изваждането на ротора от корпуса на скоростната кутия. За да извадите ротора от скоростната кутия, е необходимо да отстраните конусното зъбно колело поз.26, разположено на вала на ротора.
За да направите това, развийте гайката М8×3,5 поз.25, отстранете задвижващото зъбно колело Z=12. Фиксира се с ключ поз.30. Лагерите се свалят с теглич.

Сваляне на лагерите на ъглошлайфа 230 арматура
За да премахнете лагерите от арматурата поз.27, е необходимо да извадите ротора от корпуса на скоростната кутия поз.19. Развийте гайката M8 поз.20, свалете заключващата шайба поз.21, свалете задвижващия пиньон поз.22. с леко разклащане извадете ротора от корпуса на скоростната кутия. Лагерът ще остане в корпуса на скоростната кутия. Затворен е с лагерен капак поз.25, който е закрепен към корпуса на скоростната кутия с три винта M5 × 8 поз.26.В корпуса на скоростната кутия е монтиран лагер с размер 6201-2RS. Руски аналог 180201.
От страната на колектора лагерът poz.28 се отстранява с помощта на дърпач. Размер на лагера 608RT. Руски аналог 180608.
Ремонт на мелница за статор Interskol
Ремонтът на статора на всяка мелница Interskol се извършва след определяне на естеството на неизправността. Най-често статорът изгаря. Това се дължи на прегряване на инструмента. Неизправността на статора се показва чрез неволно и неконтролирано развиване на ротора на ъглошлайфа.
За ремонт на статор трябва да го извадите от кутията. Статорът може да се тества без да се вади от корпуса. Но това може да стане само в специализирани работилници. Или ако имате монитор за огъване IK-2 на късо. Възможно е да се определи отворена верига или късо съединение в намотките на статора без демонтаж на статора. Изгорелият статор се отстранява, пренавива или вместо това се инсталира нов.
Изгореният статор може да бъде пренавит независимо.
Алгоритъмът за пренавиване е както следва:
- Изрежете повредената намотка от единия ръб по всякакъв начин;
- Пребройте броя на завъртанията на намотката, определете посоката на нейното навиване, процента на запълване на жлеба на сърцевината на статора, измерете диаметъра на жицата;
- След отстраняване на изгорялата намотка, почистете жлебовете на сърцевината, проверете изолацията;
- С подготвения проводник навийте необходимия брой навивки на статорните намотки в подготвените жлебове;
- Запоете краищата на намотките, като поставите там изолационен проводник;
- Импрегнирайте AC статорните намотки;
- Почистете следите от импрегниране вътре и извън корпуса на статора;
- Проверете свободното движение на ротора вътре в статора.
Видео за ремонт на статор на трошачка Interskol със собствените си ръце
Механични неизправности на трошачката Interskol
Сред механичните дефекти на трошачките Interskol, скоростната кутия остава слабо място. Зъбните колела, използвани в скоростната кутия, се износват с течение на времето, зъбите се разрушават и се появява луфт в ставите.
Ремонт на мелница за скоростна кутия Interskol ushm 125
За да се ремонтира скоростната кутия на трошачката Interskol, е необходимо да се установи естеството на неизправността. Повечето повреди в механичната скоростна кутия се определят визуално или слухово. Силното изтичане на шпинделния вал, блокиране или превъртане на зъбните колела на скоростната кутия се определят чрез проста проверка на състоянието на шпинделния вал. И повишен шум при работа на скоростната кутия, необичайни звуци, прегряване може да се определи на ухо или чрез докосване на кутията с ръка.

За да разглобите редуктора, развийте (4) четири винта М4×14 поз.11, отстранете фиксиращите шайби DU-1000ER поз.12, свалете капака на редуктора поз.13. Монтираният щифт poz.10 ще остане там. Шпинделът е монтиран в лагер poz.14. Размер на лагера 6201-2RZ. Руски аналог 180201.
Използвайте преса, за да натиснете щифта от корпуса на лагера. Но можете да го избиете внимателно с чук. Основното нещо е да не повредите капака на корпуса на скоростната кутия.
Конусното зъбно колело поз.16 се намира на шпонкова връзка и е закрепено с пръстен поз.17. Като ключ в мелницата Interskol UShM 125/900 се използва топка с диаметър 3 mm. Ако свалите задържащия пръстен, свалянето на предавката не е трудно. При други модели мелачки Interskol ushm 125 се използва ключ.
Извадете зъбните колела и ги проверете, за да се уверите, че не ближат зъбите си, че не са унищожени или нахапани, че няма хлабина в шпонковата връзка.
Ремонт на мелница за скоростна кутия Interskol ushm 230
За да разглобите редуктора с дължина 230, отстранете капака поз.6, като развиете 4 (четири) винта. Щифтът поз.8 се държи в лагера поз.9, притиснат в тялото на капака поз.6.Размер на лагера 6203zz. Руски аналог 180203.

Зъбното колело поз.11 се притиска плътно към шпиндела. За да го премахнете, имате нужда от преса. Занаятчиите успяват да извадят с чук, като предварително загряват предавката.
Извадете зъбните колела и ги проверете за облизване на зъбите, унищожаване.
Ремонтна мелница Interskol ushm 230
Сглобяване на трошачката Interskol
Сглобяването на трошачката Interskol не се различава от сглобяването на трошачките на други марки. Ремонтируеми, почистени от стара грес, части и възли са разрешени за монтаж. Сглобяването се състои от няколко стъпки.
Как да сглобите зъбната мелница Interskol
За да се сглоби цялата скоростна кутия, е необходимо да се сглоби шпинделът, като върху него се поставят лагери и конусни зъбни колела.
На шпиндела поз.10 се поставя капака на скоростната кутия поз.13, лагера поз.14, лагерните капачки поз.15, конусната предавка поз.16. Зъбното колело е фиксирано върху шпиндела с шпонкова връзка. В ъглошлайф 125 като ключ се използва топка 3 мм. За фиксиране върху шпиндела зъбното колело се фиксира със задържащ пръстен poz.17. Сглобеният шпиндел се вкарва в игления лагер poz.18. И игленият лагер се притиска в корпуса на скоростната кутия poz.21.

Сглобяването на редукторния ъглошлайф 230 започва с монтажа на шпинделния възел поз.8, на който е монтиран лагера поз.9, задържащия пръстен поз.10. Зъбното колело поз.11 се натиска върху шпиндела. Щифтът се вкарва в ролковия лагер поз.12. Размер на лагера NK1210.
За да улесните процеса на натискане на задвижваното зъбно колело поз.11 върху шпиндела поз.8, загрейте зъбното колело и охладете шпиндела.

Как да сглобите трошачка Interskol
Алгоритъмът за сглобяване на трошачката Interskol е както следва:
- Статорът се вкарва в корпуса;
- Статорът е покрит с пластмасова защита;
- В статора е вкаран ротор с гумена втулка, защитена върху лагера на колектора;
- Вторият край на ротора се вкарва в корпуса на скоростната кутия;
- Задвижващото зъбно колело е монтирано на ротора и закрепено с гайка с дясна резба;
- Корпусът на скоростната кутия е прикрепен към корпуса на статора с четири винта;
- Проверява се плавността на въртене на ротора;
- На корпуса на скоростната кутия е поставен капак с задвижвана предавка;
- 4 (четири) винта, закрепващи капака на скоростната кутия са затегнати;
- Проверява се плавността на въртене на шпиндела на инструмента;
- Монтирани карбонови четки
- Задният капак се поставя на място или се сглобява дръжката;
- Извършва се пробно пускане на инструмента, проверява се плавността на работа.
Съгласно горния алгоритъм се сглобяват всички, без изключение, мелници от семейството Interskol.
Няколко характеристики при разглобяване и сглобяване на трошачката Interskol:
- За висококачествено отстраняване на старата грес от корпуса на скоростната кутия е по-добре последният да се нагрее с професионален сешоар до течно състояние на грес и след това да се отстрани;
- При някои модели мелници Interskol задвижващото зъбно колело е фиксирано върху вала с две гайки, едната от които е заключващ ключ S = 12;
- Внимателно развийте или затегнете гайката, закрепваща задвижваното зъбно колело на ротора в мелници Interskol ushm 115;
- Поставете лубрикант в корпуса на скоростната кутия, който е по-малък от половината от обема му;
- При разглобяване внимателно проверете състоянието на колекторните ламели, не трябва да има следи от изгаряния и износени коловози.
Няколко думи за мелницата за смазочни материали Interskol
Преди да сглобите механичните компоненти на трошачката Interskol, непременно смажете частите с дебел. Смазочните материали от чуждестранни и руски производители са широко представени на руския пазар на смазочни материали. Днес можете да закупите висококачествени смазочни материали от местен производител. Те по никакъв начин не са по-ниски по качество от чуждестранните колеги, но са няколко пъти по-евтини.
За скоростните кутии на трошачките е разработена специална смазка, която има висока адхезия. Адхезията е свойството на веществото да се придържа към смазана повърхност.
Заключение:
- Когато избирате мелница, спрете избора си на руската ъглошлайф Interskol;
- Ще получите надежден, издръжлив, ергономичен и евтин инструмент;
- Дайте предпочитание на шредерите Interskol клас ushm 125;
- В домакинството те са по-търсени и по-безопасни.
Пожелавам ти успех!











