- Общи принципи на процеса на сглобяване на перфоратори Interskol
- Избор на лубрикант
- Сглобяване на ударно звено
- Монтаж на приемника
- Монтаж на междинен вал
- Сглобяване на групата за ударни инструменти
- Безключов патронник SDS-plus
- Монтаж на бутона за превключване на режима
- Монтаж на статорния възел
- Корпус на бормашина Interskol P-26/800ER
- Видео за сглобяване на чук Interskol
- Монтаж на бормашина INTERSKOL P-18/450ER
- Монтаж на бормашина INTERSKOL P-22/600ER
- Монтаж на бормашина INTERSKOL P-26/800ER
- Монтаж на перфоратор INTERSKOL P-600ER
- Монтаж на перфоратор INTERSKOL P-710ER
Перфораторите са доста лесни за поддръжка. За да се поддържа работното състояние на перфоратора Interskol, е необходимо да смените смазката в скоростната кутия своевременно при всяка смяна на износените въглеродни четки на електродвигателя.
Старата мазнина се елиминира безпроблемно, по-добре е да я премахнете със специални препарати, използвани в сервизните центрове. Но домашният майстор ще се справи добре с разтвор от смес от керосин и бензин. Направи си сам монтажът на перфоратора Interskol е доста прост технологичен процес. Просто трябва да прочететеинструкции за демонтаж, чертеж, каталог на резервни части.
Преди сглобяване подгответе нови или ремонтирани и чисто измити части, нов ремонтен комплект за О-пръстени, смазочни материали, инструменти и консумативи. Не забравяйте за правилната подготовка на работното място и неговото осветление.
Върху чисто измити части се нанася нова грес и то само тази, която се препоръчва за този уред.
Когато прилагате нова смазка, не прекалявайте: излишната смазка по време на работа на перфоратора често се изтласква през корпуса на скоростната кутия и води до разрушаване на уплътненията.
Преди да сглобите части, проверете грапавостта на вътрешните повърхности. Повърхността трябва да бъде полирана до огледално покритие. При ниска грапавост се получава по-интензивно изтриване на гумените уплътнителни пръстени. подробно относно ремонта на перфоратора Interskol.
Общи принципи на процеса на сглобяване на перфоратори Interskol
Сглобяването на перфоратори Interskol може условно да бъде разделено на няколко етапа:
- Монтаж на гумени уплътнителни пръстени.
- Монтаж на отделни възли.
- Сглобяване на блокове.
- Сглобяване на електрическата част.
- Проверка на работата на електроинструмента.
Всички перфоратори Interskol се състоят от няколко големи блока:
- Механичният блок на ударния възел.
- Блок на междинния вал.
- Зъбен блок.
- Статорен блок.
- Блок на управляващата верига.
Избор на лубрикант
За смазване на перфоратори местните производители са разработили специални смазочни материали. Смазването се разделя според условията на работа на възлите. За смазване на скоростни кутии, лагери и съединители се препоръчва използването на смазочни материали, специално разработени за тези компоненти.
Обикновено смазочните материали се разделят на три категории:
- За особено натоварени възли, като ударен механизъм, скоростна кутия, междинен вал.
- За смазване на сондажни пръти.
- За смазване на гумени уплътнителни пръстени.
Като смазка за гумени уплътнителни пръстени е препоръчително да използвате Ciatim-221, който не разрушава гумата.
За скоростните кутии на бормашините Interskol се използват специални смазочни материали.

Преди да монтирате гумени уплътнителни пръстени върху частите, последните трябва да бъдат смажени с инертна смазка за каучук, която издържа на температури до +120 ºС.
Препоръчва се да се използва не само гумено инертна смазка, но и смазка с високо уплътнение по време на работа. От битовите смазочни материали обърнете внимание на Ciatim-221.

За сигурно задържане на инструмента, лесното му отстраняване в края на работа, се препоръчва използването на специална закопчалка за пръти.

Сглобяване на ударно звено
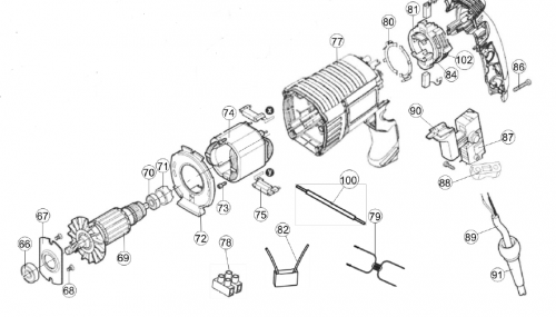
При перфораторите Interskol блокът на ударния блок се състои от цев и части от ударния механизъм.
Ще разгледаме сглобяването на ударния блок, като използваме примера на цевта на перфоратора Interskol 26/800ER.
Ударният механизъм се състои от индустриална маса поз.16, цев поз.37, ударник поз.45 и бутало поз.47.
Ударният импулс се създава от възвратно-постъпателното движение на буталото poz.47 в цевта poz.36. Вътре в буталото ударникът poz.45 се движи и предава импулс към индустриалната маса poz.16. И сега индустриалната маса предава ударен импулс към приемника на инструмента поз.12. Във веригата по-горе има друго устройство, което изглажда амплитудата на ударния импулс от ударника към индустриалната маса. Устройството се нарича poz.42 striker catcher.
Сглобяване на цевта
Зъбното колело poz.35 е поставено върху цевта poz.36, от другата страна втулката на гърбицата poz.38 и връзката на втулката на гърбицата е фиксирана с иглени ролки poz.37 и заключващ пръстен poz.34.
Предавката се притиска от пружина poz.33, шайба poz.32 е поставена на цевта и всичко е фиксирано със задържащ пръстен poz.31.
Цевта се вкарва в кутията poz.18, в която предварително е поставена втулката poz.19, ролковият лагер poz.20 и втулката poz.21 са притиснати.

Сглобяването на цевта завършва с монтиране на ударника и приемника вътре след смазване на вътрешните повърхности. Монтажът на приемника в тялото на цевта е фиксиран със задържащ пръстен.

бутален монтаж
Бутален монтаж поз. 47 започнете с инсталиране на пръст poz.48 и два пръстена poz.49 върху него. Пръстът действа като повод на сачмен лагер poz.60. Ударникът поз.45 се вкарва в буталото с предварително монтиран уплътнителен пръстен поз.46.
Преди да поставите ударника в буталото, вътрешната повърхност на буталото трябва да се провери за грапавост. Не трябва да има драскотини по повърхността.
След като смажете вътрешната повърхност на буталото с тънък слой Tsiatim-221, поставете ударника вътре.
Монтаж на приемника
В конструкцията на перфоратора Interskol P-26 / 800ER работният инструмент се вкарва в специален инструментален приемник и се затяга в патронника.

Приемникът на инструмента поз.12 се сглобява просто.
Сглобеният промишлен заземителен възел поз.16 се вкарва във вътрешната част на приемника. На индустриалната маса първо трябва да поставите ръкава поз.15, маншетите поз.14, гумения пръстен поз.13.Не забравяйте да смажете гумения уплътнителен пръстен и вътрешността на приемника на цевта с грес Ciatim-221 преди монтажа.

Монтаж на междинен вал
В бормашините Interskol P-26/800ER междинният вал е сложен възел.
Монтирането на междинния вал не е трудно.
Първо се сглобяват компонентите на лагера opz.60. В лагера са поставени иглен лагер поз.61 и комбинирано зъбно колело поз.62.

Сглобеният модул се вкарва в корпуса poz.53 с едновременната инсталация на буталото poz.47. Преди монтажа пилотът на лагера се вкарва в щифта poz.48.
Монтираният междинен вал е фиксиран с опора poz.50.

Сглобяване на групата за ударни инструменти
На следващия етап в междинния вал се монтира зъбно колело poz.58 с поставен върху него превключвател poz.55.
Сглобеният възел се смазва с грес за скоростната кутия.
Остава да поставите цевта на буталото poz.36.
Смажете зъбните колела на скоростната кутия с препоръчителната грес и покрийте с капака на външния корпус на скоростната кутия поз.18.
Безключов патронник SDS-plus
Затягайки вертикално монтиран въртящ се чук в менгеме, сглобете безключовия патронник. След като смажете вътрешната кухина на цевта, поставете приемника на инструмента.

Подравнете отворите на приемника на инструмента и цевта, след което поставете ролките поз.11 в тях.
Отгоре поставете коничната пружина поз.10, специалната шайба поз.9 и поставете топката поз.8.

На приемника на инструмента поставете пръстена поз.7, натискащата втулка поз.6. Фиксирайте конструкцията със задържащ пръстен поз.5.
Остава да поставите шайбата поз.4, да я фиксирате с втория заключващ пръстен поз.3.
След като поставите шайбата поз.2, поставете предпазната втулка поз.1.
Монтаж на бутона за превключване на режима
Поставете перфоратора Interskol настрани, за да получите достъп до монтажния отвор на бутона за превключване на режима.

Дръжката се монтира лесно. Просто трябва да поставите антените в жлебовете на превключвателя. Дръжката се поставя в противоположна позиция на "перфоратор + свредло", завърта се на ъгъл от 15º и се фиксира с резе чрез натискане на белия бутон.
Инсталираният бутон се завърта по посока на часовниковата стрелка, за да се провери дали работи правилно.

Монтаж на статорния възел
Статорният възел на бормашината Interskol P-26/800ER не се различава от статорните възли на всяка друга бормашина.
Статорът поз.74 се вкарва в корпуса на статора, фиксира се с винтове поз.73 и се затваря с диафрагма поз.72.

Роторът poz.69 е вкаран в зацепване със спираловидното зъбно колело на междинния вал.
Корпус на бормашина Interskol P-26/800ER
Сглобяването на перфоратора Interskol P-26 / 800ER е завършено с монтажа на капака на корпуса на статора поз.77.

Монтиране на четкодържача и въглеродните четки
След като фиксирате капака на корпуса, продължете с монтажа на държача за четки poz.81. Сглобяването на държача на четката не представлява никаква трудност.
Инсталирайте въглеродните четки poz.83 в държача на четката, закрепете ги със затягащи винтови пружини poz.84.
Остава да поставите бутона за превключване poz.87, да свържете проводниците към клемите на статора, да скриете проводниците в дръжката на перфоратора.
Проверка на производителността на перфоратора Interskol P-26 / 800ER
След като сглобите свредлото Interskol, уверете се, че валът на ротора се върти лесно, като го завъртите през приемника на инструмента.
Проверете въглеродните четки за точност и еднородност. Свържете инструмента към 220 V мрежа.
Включете чука за кратко и проверете искрите на въглеродната четка.
Монтирайте предпазния капак poz.85.
Всичко!
Сглобяването на други модели бормашини Interskol практически не се различава и е показано във видеото по-долу.













