- Видове повреди и техните причини
- Подготовка за ремонт на LED осветителни тела
- Дизайн на LED полилей и визуална проверка
- Най-лесният начин да тествате LED веригата на лампа
- Ремонт на LED лампи
- Схема на LED лампата
- Отстраняване на неизправности при полилей с дистанционно управление
- Охлаждащи радиатори
- Заключение
- Видео за ремонт на полилеи с управление
Икономичността на осветлението и дизайнът донесоха най-съвременните технологии в почти всеки дом. Много хора заменят обикновените сутеренни полилеи с бюджетни LED продукти. Не всеки знае как сам да ремонтира LED лампа, особено частите, които я съставляват вътре. Как да използвате инструмента в случай на повреда, откъде да започнете целия процес. Нека се опитаме да разберем подробно какви повреди на устройствата възникват и как да поправите някои LED полилеи със собствените си ръце.
Видове повреди и техните причини
Типични неизправности: частична или пълна липса на осветление, краткотрайно мигане или спонтанно спиране, повреда.
причини: Температурата е достигнала повече от 50 градуса, контактът на самия проводник и скобата е нарушен, ако е платената опция, а не ламповата опция, контактите на платката се отлепват.
Светодиодът е изгорял, частично или напълно. причина: Пренапрежение в мрежата, издухан кондензатор (повреда). Обикновено възниква повреда в евтини опции за карти.
Има допълнителни причини, водещи до повреда на устройството, а именно: късо съединение, лоша връзка с мрежата, неспазване на схемата на свързване на устройството по време на монтажа.
Лошо запояване на контактите на веригата, светодиоди на платката, лошо фиксиране на проводниците в основата на лампите. Слабо заваряване на проводими елементи (проводници, гуми). причина: Фабрични настройки. Ремонтът на много LED полилеи с контролен панел се извършва именно поради тази причина.
Подготовка за ремонт на LED осветителни тела
Преди да ремонтирате LED лампата, устройството трябва да бъде отстранено. Ще ви трябва инструмент; тънка кръстообразна отвертка с плосък връх. Ако връзката е сглобена с усуквания, ще ви трябват клещи с изолирани дръжки, електрическа лента и мултицет, за да проверите контактите. Пинцетите са полезни при работа с малки детайли.
Ще ви трябва поялник с фин връх и спойка (препоръчително е да използвате специална дюза). Свредло с накрайник 2,5 mm също може да бъде полезно, отделете основата на лампата, като пробиете фиксаторите. Няколко фини нишки с дължина 10 см.
внимание! Забранено е извършването на електрически работи без специален защитен инструмент!
Дизайн на LED полилей и визуална проверка
Полилеи с дистанционно управление се появиха не толкова отдавна. Малко хора познават устройството си. Ремонт на LED плафониери
x полилеи трябва да знаете дизайна, само в общи линии. Нека да разгледаме по-подробно от какво може да се състои това.
Един обикновен LED полилей се състои от тяло, регулаторен блок или драйвер. Използва се като токоизправител на напрежение. Той има клеми или клеми, към които е свързано захранването. След това от блока има проводници към лампите. Те могат да бъдат от една нишка, за обикновена лампа, до 12 за дизайнерска версия на устройството.
По-сложна версия на продукта се състои от антена, контролен блок за самото осветление, регулатор на напрежението или няколко
Много блокове, които извършват автоматична настройка. В растерните устройства може да има няколко драйвера и различни видове LED елементи, лампи.От специфичен тип осветление
Инструментът зависи от проверка и ремонт на компоненти.
Защо е необходимо да знаете или откриете дизайна преди
започнете да ремонтирате led полилея. Причината е проста, трябва да разберете къде са контролните блокове, или вътре в полилея, или вътре
самият осветителен елемент, лампата. Тук се нуждаем от същата схема на LED полилей.
По-лесно е да ремонтирате LED полилей, който работи без дистанционно управление. В това няма нищо сложно, те се сглобяват според един тип: един или повече диоди (възможен е компактен мост), електролити (кондензатори), двойка резистори (резистори) и намотка с намотка , Това е най-простата схема без защита, има много опции за тях, но сега ще анализираме най-простата схема.
- След като извадите лампата, проверете платката за видими дефекти, скъсани проводници,
липсата им е добър знак. - Отстранете тавана или декорацията около лампата, развийте осветителните елементи. Проверете основата, изгорелите петна показват лош контакт. Ако има, опитайте да ги почистите с нож.
- Опаковайте отново клемните блокове или завъртете, затегнете винтовете на всички части. След като не открихме видими дефекти, пристъпваме към проверка на лампите. Опцията за блок лампа, при която релето и лампите са разположени една до друга на голяма дъска, се счита за ремонт на лампа, описан по-долу.
- Ремонтът на светодиоден полилей със собствените си ръце започва с определяне на мястото на повреда или счупване.
Най-лесният начин да тествате LED веригата на лампа
Първо се опитваме да разглобим самата лампа. Има сгъваеми модели, но понякога трябва да го загреете със строителна сешоар или да изрежете кутията. Първо, визуална проверка.Обикновено един изгорял светодиод е с различен цвят или е с изгорял крак, а контактните площадки за запояване на светодиода са изгорени или отлепени.

Метод 1.
Най-добре е лампата да се захранва с отделно захранване. Обикновено 3,7 волта се подава към всеки светодиод, но има и други стойности на М. Трябва да се отбележи, че в зависимост от броя на светодиодите напрежението също се променя. За да проверите бързо LED елементите на LED лампата с помощта на импровизирани методи, можете да използвате всяка 3-волтова батерия и кламери, като свържете контактите. Просто спазвайте полярността на връзката.

Подобно тестово устройство използваме и при проверка на вграденото осветление на осветително тяло.

Повредата на един светодиод води до изчезване на всички!
Метод 2.
Трябва да позвъните на устройството с всички неповредени светодиоди във веригата. Но има по-лесен начин, като свържете лампата към захранването, за да извършите прости манипулации
- На свой ред затворете (хвърлете джъмпер) контактите на всеки светодиод с пинсети или проводник с оголени и консервирани контакти.
- Лампата ще светне, когато откриете (затворите контактите) изгорелия светодиод. Ако това не се случи, погледнете по-надолу по веригата.
- Проверете платката за причината за изгаряния, подуване на кондензаторите, внимателно проверете пистите на самата платка на регулатора. Запоете счупените контакти.
Не можете да замените светодиода с джъмпер, когато има по-малко от 10 в общата верига, кондензаторите ще бъдат презаредени, блокираните светодиоди ще се изключат, когато има 3 в пакет. Можете да ги разпознаете по три тъмни точки в жълт или бял кристал.
Ремонт на LED лампи
Важно е да знаете, че светодиодът има поляритет и при смяна трябва да го монтирате правилно на платката. Всички светодиоди са запоени чрез отпечатване, т.е. потопени в калай.

Обикновено за запояване на светодиода се използва пистолет за запояване. В домашни условия, макар и трудно, е възможно да се нанесе повече калай с поялник.
За да го инсталирате е достатъчно да го монтирате върху печатна платка и да загреете краищата му с контактни площадки с поялник. При силно запояване ще трябва да загреете платката и отдолу с поялник. Важно е да не прегрявате LED елемента при запояване!
Възможен начин за ремонт на LED лампи с помощта на проводима паста.
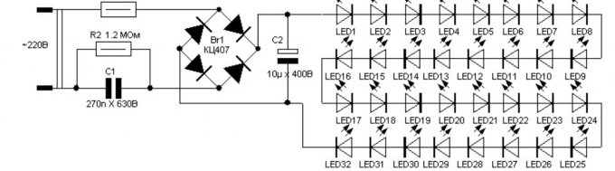
Схема на LED лампата
Обичайната схема на евтина китайска лампа за 220 волта. Вместо надежден драйвер, те имат проста безтрансформаторна захранваща верига с кондензатори и токоизправител.
Мрежовото напрежение първо се намалява от неполярен метален филмов кондензатор, коригира се, след това се изглажда и повишава до желаното ниво. Токът на зареждане е ограничен от конвенционален SMD резистор, който се намира на печатната платка със светодиоди. При диагностициране и ремонт на LED лампи от този тип е важно да се спазват предпазните мерки, т.к. всички елементи на електрическата верига са потенциално под високо напрежение. Докосването на живата част от веригата с пръст може неволно да причини токов удар, а изплъзналата се сонда на мултицет може да доведе до късо проводници с неприятни последици.
Отстраняване на неизправности при полилей с дистанционно управление
Често ремонтът на LED полилеи трябва да се извърши поради прегряване на самата матрица. Първо, развийте крепежните елементи и визуално проверете вътрешността на полилея.След това внимателно се опитват да преместят дъската на място. Определете дали има прекъсване на проводниците на контролния блок, ако проводникът е изгорял поради пренапрежение. Ако се издуха, запоете на място. Проверяваме всички детайли един по един.
След това се нуждаете от оригиналната схема на полилей. Без него могат да се ремонтират само полилеи без дистанционно управление. Ако има дистанционно сменете батериите с нови. LED полилеи с контролен панел са често срещани, тук ще ви е необходима точна схема на контролера на полилея, за да идентифицирате повреда.
Блокът за управление на полилея обикновено е херметически затворен в корпус и производителите чертаят схеми върху него. Само това са електрически схеми и осветителни елементи.
Има и блокове със сгъваемо тяло, след което опцията е опростена. При неразглобяем блок изходният сигнал към осветителните елементи (LED) се извиква с помощта на тестер. Ако няма захранване, причината може да е повреда на приемника на сигнала. Ние го разглобяваме, визуално проверяваме контактите и пистите на платката, целостта на частите. Ако напрежението се подава към един клон на осветлението, повредата е в управляващия блок, а не в самия приемник на сигнала.

Изгорялата част може да се разпои и да се огради като начало от всички резистори (виж диаграмата), като поставите иконата Om на устройството. Тогава капацитетът на кондензаторите, тъй като те имат обозначения, полярността и типът също са важни при проверката.

Ако се установи несъответствие в деноминацията, спойка.
Блокът за управление на полилея отговаря за интензивността и режимите на горене на LED елементите. Нарушаването на една от веригите (в таванната версия на лампата) не изключва уреда, предпазителят може да е изгорял.

Но все пак проверете блоковете, ако има разтопени места по тях, сменете ги с нови. Ако кабелите са свързани неправилно, само частите на захранването ще изгорят. Регулаторният блок е защитен от прекомерни натоварвания. Може да се извика по схемата.
Охлаждащи радиатори
Много модели регулатори, драйвери и захранвания за LED лампи са оборудвани с охлаждащи радиатори. Те имат седалка, през която микросхема или друг контролен елемент отделя топлина. Повечето лампи имат радиатори.
Липсата на специална смазка, термична паста, причина за прегряване на повечето (до 15%) дъски и блокове. Развийте и проверете дали е нанесено по равнината на седалката.
Термичната паста се нанася в тънък слой върху цялата повърхност на седалката, голямо количество само ще влоши топлопредаването. Чрез завинтване на допълнителна тънка алуминиева пластина към радиатора може да се увеличи преносът на топлина, като същевременно монтажът се осъществява без блокиране на основните въздушни потоци, преминаващи през него.
Заключение
Както можете да видите, няма нищо необичайно в ремонта на LED таванни полилеи, не. Не е толкова трудно да го направите сами. Нужни са малко търпение, малко практика и тенекиена капка знания. Разбира се, разнообразието от лампи, лампи и полилеи от всякакъв вид няма да ни отегчи в процеса на ремонт. Но при това количество детайли точната схема на LED полилея и, разбира се, голямото желание ще ни помогнат да го разберем.
Видео за ремонт на полилеи с управление
Не е необходимо да купувате нов светодиод, лесно е да го поправите, хвърлете малък джъмпер между контактите. Не забравяйте да премахнете остатъците от изгорялата част на светодиода, почистете платката от сажди, тя провежда електричество.











