Подовите радиатори дълго време не можеха да се състезават за титлата на най-добрите, тъй като тази позиция е заета от топли подове. Последните са в състояние да заменят обемисти отоплителни системи и в същото време да осигурят голям брой положителни качества. Но в този случай, когато избирате подове с топла вода, трябва да се разбере, че ще трябва да се положат известни усилия за монтаж. Особено внимание се обръща на полагането на тръби на пода, избора на неговата специфична схема. Не без значение е самият тръбопровод, правилният му избор в зависимост от условията на работа.
Избор на тръба
Преди да поставите топъл под под замазката, трябва да вземете решение за списъка с материали, които ще са необходими за висококачествен монтаж.
Тук не можете да спестите, но купувате по-добри продукти от достоен производител, въз основа на прегледи и характеристики. Някои производители могат да дадат гаранция за продуктите си за повече от 30 години. Това е, на което трябва да обърнете специално внимание. В края на краищата, в случай на брак или някакви неизправности в работата на пода с топла вода, те ще бъдат задължени да платят всички обезщетения, да върнат цената на имота си.
Процесът на инсталиране може да бъде усложнен от наличието на ъгли тръбопровод, която може да варира от 45 до 90 градуса. Освен това тръбите за топъл под с вода трябва да отговарят на следните параметри:
- Дълга продължителност на живота.
- Здрава конструкция.
- Способност да издържа на високи температури до 120 градуса.
- Износоустойчивост.
- Справедливо отношение към водата и други възможни охлаждащи течности (антифриз).
- Висока степен на топлообмен.
- Ниско топлинно разширение.
Популярни сред цялото разнообразие от материали са металопластика или полиетилен тръби.
Това се дължи на доста ниската цена на продуктите в сравнение с други видове (неръждаема стомана, мед), както и на отличната производителност. Те са в състояние да демонстрират всичките си свойства при всякакви условия.
Идеалната тръба е тази, която не е подложена на напукване, което е много важно в процеса на монтажни работи на устройството на веригата топъл воден под. Може да се монтира и при температура на въздуха от +5 градуса. Външният диаметър на такава тръба може да бъде от 9 до 22 мм, който се комбинира с вътрешната секция. Това не влияе по никакъв начин на пропускателната способност.
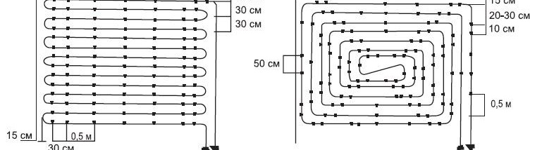
Схема на полагане "змия"
Преди да започнете да полагате тръбопровод за подово отопление от воден тип, трябва да помислите за основата. Трябва да е с добро качество подготвени, тъй като цялата система може да бъде монтирана изключително върху равна повърхност, което води до проявата на всички характеристики по време на работа. Ето защо е много важно подравняването на подовата замазка да отговаря на всички технологични изисквания.
Има няколко възможности за полагане на тръби на пода за последващото му отопление. Сред тях можете първо да разгледате схеманаречена "змия". Но веднага си струва да споменем големите топлинни загуби при използване на веригата. В крайна сметка водата се подава към тръбопровода от една секция. Докато цялата охлаждаща течност достигне крайния елемент, тя става много студена. Следователно към края на положената схема основата на пода няма да е топла. Тук горещата повърхност се получава само на изхода на горещия топлоносител.
Недостатъците на тази схема могат да се отдадат и на трудния процес на инсталиране. Тук ще е необходимо тръбата да се огъне под ъгъл до 180 градуса, което не всички материали могат да издържат.В този случай стъпката на полагане се увеличава значително тръбопровод, който може да достигне до 20 см. Тази стъпка също ще създаде големи повърхности с по-ниски основни температури. Една обикновена тръба няма да може да пренася топлина на такова разстояние.
По-дълъг процес е създаването на пръстени на завоите на тръбите. Това ви позволява да се отървете от ъгъла на материалната фрактура. В този случай е по-добре да прибягвате до помощта на специалисти, които ще извършат цялата работа ефективно и навреме. Освен това не могат монтажни грешки топъл воден под. Няма да е излишно предварително да изчислите устройството на топъл под с вода, за да разберете всички разходи.
За да се намалят температурните разлики по цялата повърхност на топъл воден под, се изпълнява така наречената двойна "змия". Напрежението тук само ще се увеличи, но основата на пода ще бъде много по-топла в сравнение с предишния разгледан вариант.
Що се отнася до обхвата на такава схема за полагане тръби на пода, тогава в по-голяма степен е подходящ за малки помещения, при изравняване на съседни зони на контури, санитарни помещения, в случай на сериозно заобикаляне на различни устройства (тоалетни, водопроводи и др.). Но дори и в последния случай, с площ над 6-8 m2 по-добре е спираловидната система вече да се прилага на практика.
Устройството тръби "охлюв"
В противен случай това разположение на тръбопровода се нарича спирала. Избира се и се изпълнява до момента на изпълнение на устройството за замазка. подово отопление. Популярността на системата се крие в икономичността, ефективността на цялата система за подово отопление, както и по-добрия трансфер на енергия към основата на пода в помещението.
Когато се извърши инсталацията подово отопление охлюв, тръбите са разположени, очертайте периметъра на стаята. Началото идва от самите ръбове, покрай всяка стена и стига до централната й част. Радиусът на полагане на тръбите на пода в този случай се намалява при приближаване до центъра. След като стигнем до средата на стаята, подобни действия се повтарят в обратен ред до ръба. От това веднага следва основното предимство на избраната схема - равномерното разпределение на топлината на основата на пода в стаята. В земята не се образуват зони с ниски температури, тъй като тръбопроводът редува подаването на гореща (входяща) и студена (изходяща) охлаждаща течност.
Минималната стъпка на монтаж е 10 mm, всички останали параметри се избират според личните предпочитания. Но трябва да се отбележи, че колкото по-малка е стъпката, толкова повече материал ще има за настройка на вериги топъл воден под.
"Охлюв" е не само най-надеждният, но и самата работна схема. Процесът не отнема много време и усилия, тъй като тръбите се огъват много слабо. Този процес, след запознаване с инсталационната технология, може да се извърши дори от един човек, без да се включват специалисти и без да се харчат пари за тях.
Използвайки спирална схема за полагане на тръби на пода, е възможно да се изолират отделни секции (близо до външни стени или прозорци). Цялата топлина ще започне да се прехвърля на човек, когато той е само на пода в стаята на входа.
Всякакви помещения, с всякаква конфигурация, различни и големи площи могат да бъдат оборудвани с това оформление на тръбопровода топъл воден под. Намотките от "охлюва" могат да бъдат направени не само в цялата стая, но и при обграждане на обемисти мебели, което само ще повлияе неблагоприятно на контура по време на работа. Във всеки случай мощността на целия тръбопровод ще бъде достатъчна, за да загрее основата на пода във всяка стая, както и въздуха до височина от 2,5 метра.
Комбиниран вариант
Когато е посочено устройство за замазка подово отопление, целият "пай", можете да опитате да изчислите не отделна схема за полагане на тръбопровод, а няколко от техните опции в една стая. В допълнение към смесването може да възникне дублиране на отделна опция: охлювът ще има две кули или няколко змии. В същото време оформлението на самите помещения трябва да позволява такива манипулации.
Цялата полезна енергия трябва да се концентрира главно в централната част на стаята. Тук може да си помислите полагане на тръби схема на охлюв. В останалите райони една змия ще бъде достатъчна, за да получите висококачествено отопление. Подобно е положението и с отделни зони, като външните стени, когато трябва да помислите за изолацията им.
Можете да комбинирате не само схеми, но и видове подово отопление. Водната версия може да се комбинира перфектно с електрическата версия и да бъде взаимозаменяема. Това е особено вярно през лятото, когато централното отопление не е включено, ще трябва да харчите електричество. Всичко това е създадено за комфорт и уют в жилищен район.
Във всяка отделна ситуация трябва да опитате сами изчисляване на подово отопление и скица върху лист хартия.Това ще ви помогне да изберете правилната опция за изпълнение.
Периферни зони
Монтаж на подово отопление в замазката изисква специално внимание в зоните на ръба. Те се наричат иначе граница. Те са разположени в близост до външни стени, които граничат с улицата, прозорци и врати. Тук е по-добре да изберете по-малко разстояние между тръбите, за да увеличите концентрацията на високи температури. Ако, например, в други зони се вземе стъпка на полагане от 100-150 mm, тогава за зоната на ръба тя трябва да бъде наполовина по-малка - 50-75 mm.
Когато използвате схемата "змия", по-близките завои трябва да се правят директно в близост до тези зони в стаята. Друг вариант е ъглова змия, която да събира по-голямата част от топлината точно близо до граничните участъци.
Най-важното в тази ситуация е да се създадат условия за правилно ниво на температурата в помещението по време на употреба. топъл воден под. Това ще бъде повлияно от избраната схема за полагане на тръбопровода под замазката, както и от избрания етап.
Оптимален етап
Преди да положите топъл под в замазка, както и да изберете схема за инсталиране на тръбопровод, трябва да изберете оптималния етап за последния. Стъпката е разстоянието между съседни завои. Тя трябва да съответства на избрания диаметър. тръби в съответната пропорция. Ако напречното сечение е много голямо, няма смисъл или ефективност да се направи малка стъпка, полагайки тръби на земята. Същото важи и за голямото разстояние между намотките на тръбите с малки сечения. Основните последици от такива грешки са термични вакууми или прегряване на основата.
Предпочитаните индикатори за избор на стъпка са 150-300 мм. Ако се увеличи, тогава температурата на охлаждащата течност в системата трябва да се повиши.
Всичко ще зависи от предназначението на стаята. Ако натоварването на отоплителната система е до 50 W на m2, стъпката трябва да бъде 300 мм. По-високи натоварвания на системата (от 80 W/m2) изискват намаляване на стъпката до 150 mm. Това решение е най-подходящо за бани, където температурните условия трябва да са стабилни.
Стъпка от 200 или 250 mm е подходяща за големи помещения, които също имат висока височина на тавана.
Има такова нещо като променлива стъпка, когато тръбопроводът намалява разстоянието между завоите в определени участъци, които могат да бъдат граници. Говорихме за това по-рано. Увеличената ставка ще бъде около 60% от оптималната. Редовете трябва да се изчисляват въз основа на параметрите на самата стая, където се извършва работата.
Параметри на изчисление
Ако е необходимо подово отопление под замазка, трябва да изчислите всички материали, които може да са необходими. Това се влияе от определени фактори, включително:
- Спално пространство.
- Топлоизолация, използвана за системи за подово отопление.
- Закупен котел, неговата мощност, температурни индикатори.
- Материалът, използван за направата на стени, тавани и топлоизолация.
- Диаметърът на тръбопровода, както и избраната схема за полагането му на земята.
- Избран етаж.

Всичко това показва дължината на комплекта тръби, които ще са необходими за инсталирането на системата за подово отопление. Не малка стойност играе "начинът" на полагане, мястото на намаляване на стъпката или нейното увеличаване. Основното е, че в крайна сметка нагряването на основата на пода трябва да бъде равномерно по цялата повърхност.
Когато монтажът на контура на водното подово отопление е завършен, остава само да се изравни замазката на подовото отопление и да се направи всякакъв вид подово покритие. настилки. Вярно е, че трябва да се отбележи, че някои нюанси на устройството на подовата система за топла вода ще зависят от подовото покритие.
заключение
Не е достатъчно да знаете дали е необходима замазка под топъл под. Това е просто необходимо, ако основата има различни дефекти под формата на пукнатини, дупки, издатини и други неравности. Тръбопроводът на системата за подово отопление трябва задължително да се полага изключително върху равна повърхност.
Когато избирате схема, трябва да се съсредоточите върху площта на помещението, както и наличието или отсъствието на периферни зони. Важно е да знаете целия бюджет, който се залага при избора на материал за тръбите, както и тяхното количество. Но е по-добре да не пестите пари и да инсталирате висококачествена структура, която ще продължи дълго време.











